Renault Clio Airbag Wiring Diagram Refitting Disconnect
Renault manual clio ii x65 diagrams disk wiring 2005 threads random same category. Renault clio immobiliser wiring diagram. Airbag siemens unit control
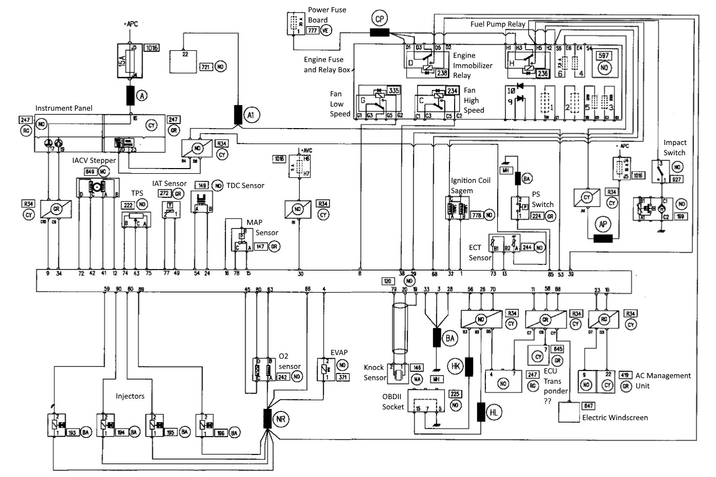
renault clio airbag wiring diagram
Download PDF
Renault wiring diagram


Clio ecu kangoo. Renault clio ii x74 nt8260 disk wiring diagrams manual 01-09-2004. Renault wiring diagram. Airbag siemens unit control
[DIAGRAM] Renault Kangoo Ecu Wiring Diagram FULL Version HD Quality
Skoda - 1C0909601C Siemens 5WK32123 VW51 - 68HC08AZ32 Airbag control
Wiring diagram needed, Clio 2 172 | ClioSport.net
Renault Clio II X65 NT8279 Disk Wiring Diagrams Manual 18-04-2005
Renault Clio - Rear wiring: Removal - Refitting - Wiring Harness

No comments:
Post a Comment